| PNC | Название | с | по | Q | RRP | Номер |
|---|---|---|---|---|---|---|
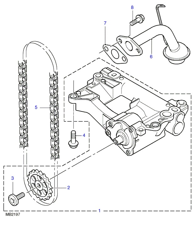
| PUMP В СБОРЕ -ENGINE OIL | 1 | LPF101280L ↳8510234 | ||||
| PUMP В СБОРЕ -ENGINE OIL | 1 | 8510234 ↳LR006805 | ||||
| PUMP В СБОРЕ -ENGINE OIL | 1 | LR006805 | ||||
| SPROCKET-BALANCER SHAFT | 1 | LIH100030L | ||||
| БОЛТ M8*35 | 1 | LYG101590L | ||||
| BOLT-FLANGED HEAD M8*28 | 4 | STC2336 | ||||
| CHAIN-OIL PUMP DRIVE | 1 | LRC100070L | ||||
| PIPE В СБОРЕ -OIL STRAINER | 1 | LSP100860L | ||||
| ПРОКЛАДКА - SUMP OIL STRAINER | 1 | LVW100070L ↳LVW000020 | ||||
| ПРОКЛАДКА - SUMP OIL STRAINER | 1 | LVW000020 | ||||
| БОЛТ | 2 | STC2166 ↳LYP000300 |